Select your country to see content for your location

SF-Filter
Choose your Country
Language

My Account

Register

Air Filter Housings for Vacuum Pumps

  • Dry air filter housings for using for vacuum pumps
  • Steel housings are treated with special protective coating for a longer durability
  • Filter housings are delivered with paper cartridge
  • paper cartridges: 5-7 micron rate
  • Glass fibre media, polyester and stainless steel cartridges on enquiry  
Air Filter Housings for Vacuum Pumps

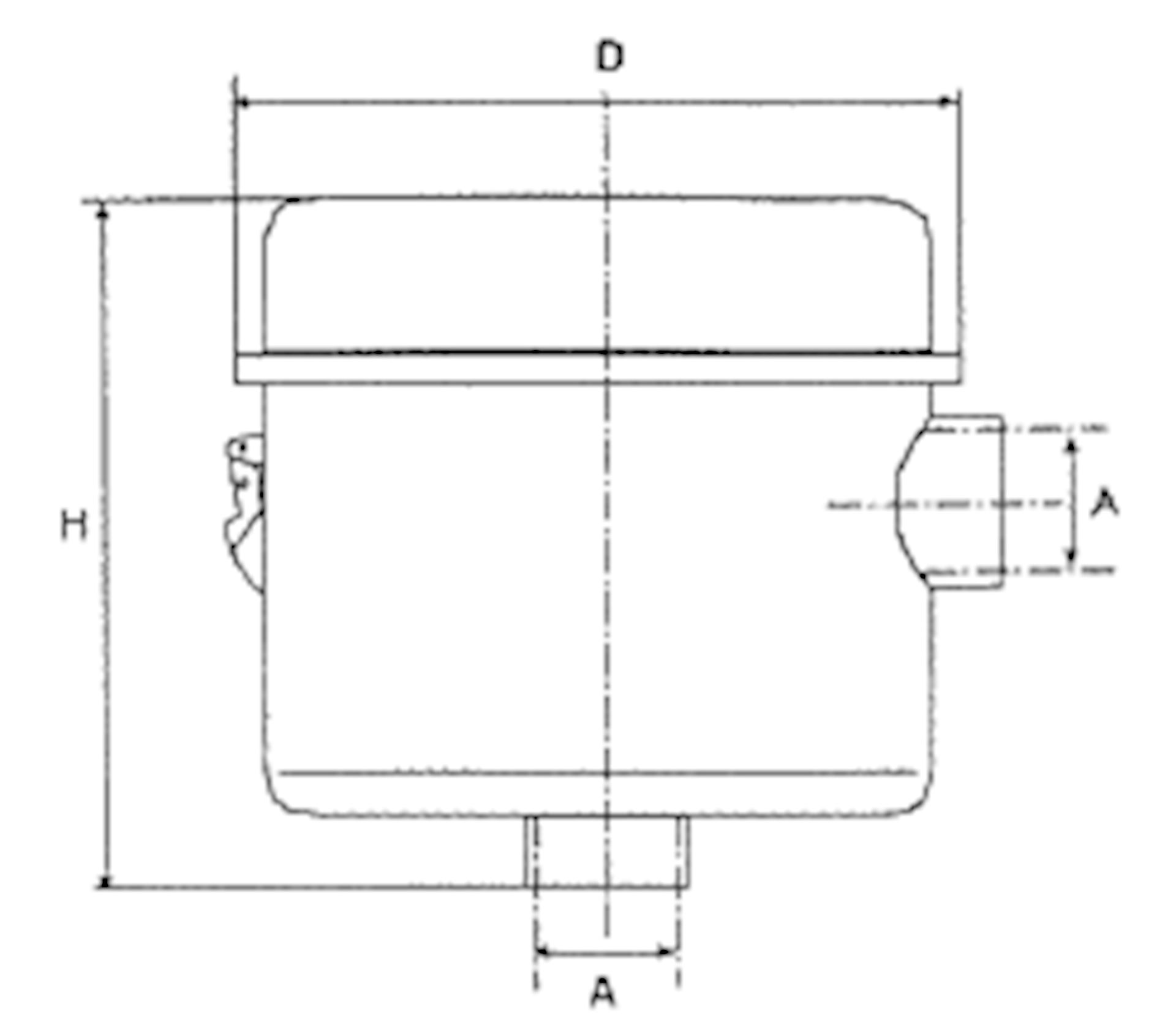
Air filter housings for vacuum pumps

SF-part number
Thread A
Height H (mm)
Diameter D (mm)
Volume flow (m³/h)
Filter cartridge
SLH 8503
G 3/8"
80
83
25
SL 8425
SLH 8504
G 1/2"
90
110
42
SL 8471
SLH 8328
G 3/4"
90
110
42
SL 8471
SLH 8329
G 1 1/4"
102
133
96
SL 1695
SLH 8331
G 1 1/4"
158
170
150
SL 8475
SLH 8450
G 1 1/2"
200
176
200
SL 8502
SLH 8507
G 2"
258
200
310
SL 8480
SLH 8330
G 2 1/2"
258
200
360
SL 8480
SLH 8508
G 3"
230
270
552
SL 8477
SLH 8545
G 3"
445
280
1080
SL 8495
SLH 8509
G 4"
640
360
1260
SL 8453

Products List

11 products