Select your country to see content for your location

SF-Filter
Choose your Country
Language

My Account

Register

EDM Filter Housings

Characteristics

  • Working pressure: 6 bar
  • Flow rate: 70/140 l/min
  • Gasket: NBR
  • Working temperature: -20 °C - +100 °C
  • Connections: G 3/4'' / G 1''
  • Material: Housing: carbon steel / cover: aluminum
  • Number of elements: FEC 070: 1 / FEC 140: 2
EDM Filter Housings

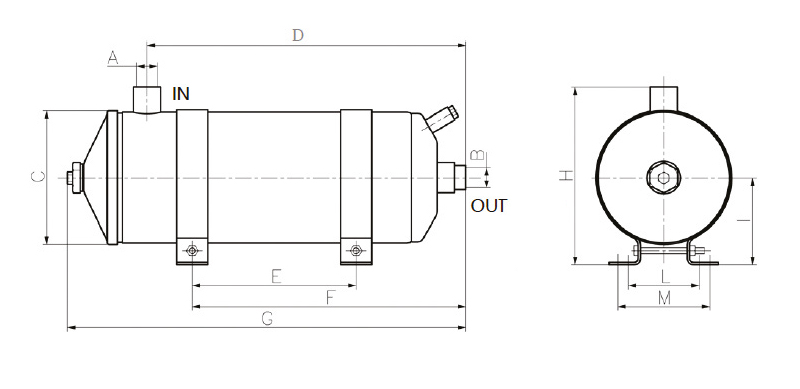
Dimensions

Housingsize
A-B(inch)
C(mm)
D(mm)
E(mm)
F(mm)
G*(mm)
H(mm)
I(mm)
L(mm)
M(mm)
FEC 070
G ¾"
172
410
210
350
510
225
112
91
118
FEC 140
G ¾" / G1''
172
860
500
774
960
225
112
91
118

* With indicator 625 mm for FEC 070 and 1135mm for FEC 140

Insertable elements

Part number
Style
Fineness(µm)
Surface(cm²)
Height(mm)
Outer diameter(mm)
Inner diameter(mm)
SE 1-3003-6-K
SE 1
4
38.800
373
145
32
SE 1-3003-10-K
SE 1
5
30.980
375
144
32
SE 1-3003-25-K
SE 1
25
30.980
375
144
32
SE 2-3024-7
SE 2
7
22.550
370
150
32
SE 3-3000-10
SE 3
5
8.850
368
150
32

Accessories

Description
Part number
Cover
FEC 070-140/DECKEL
Cover-Kit
FEC 070-140/KIT
NBR gasket
DG-G 168x145x3-NBR
Viton gasket
DG-G 168x145x3-VIT
Adapter
FEC 070-140/ADAPTER
Indicator optical (2 bar)
V 6-MANOMETER
Indicator optical/electrical (2 bar)
E 6-MANOMETER
Pressure gauge
0390002.1

All specifications refer to our standard product range. Due to constant technical developments, this information may change at any time without notice.You cannot find what you are looking for? Do not hesitate to contact us.

Products List

14 products